[VOLVO PENTA] Défaut de charge sur TAMD40B

Bonjour à tous,

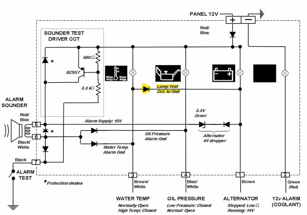
Je cherche toujours la cause du défaut de charge sur mes 2 moteurs TAMD40B (cf 1ère photo).

Symptômes

  • Les voyants "Eau" et "Batterie" restent allumés après démarrage
  • Les alternateurs ne chargent pas les packs batterie (12V constant même à 2000 tours/min)
  • Borne d'excitation (D+/61) mesurée à 3,5V contact mis (moteur non démarré) et < 5V moteur tournant

Pistes explorées

  • Alternateurs testés par un pro sur un banc d'essai (14V) et manuellement à bord avec une perçeuse + ampoule 5W (13,7V) => OK
  • Test avec un autre alternateur KO => pas compatible
  • Tresses de masse changées et câbles vérifiés (bornes B- des alternateurs OK jusqu'à la masse moteur) => OK
  • Packs batterie neufs et chargés (2x 2 batteries) => OK
  • Ampoules du tableau de bord vérifiées (aucune grillée) => OK
  • Démarrage des moteurs à partir du fly : mêmes symptômes, défaut de charge avec les 2 ampoules allumés => NOK
  • Test du câblage des négatifs sur le même pack batterie Moteur => NOK
  • Test de continuité + chute de tension sur le fil marron reliant la sortie D+/61 de l'alternateur au circuit imprimé du tableau de bord => OK

A noter que le câblage de l'alternateur étant foireux au départ : 2 fils noirs avec une cosse ronde sur le connecteur W, pensant à tord que c'était l'alternateur qui donnait le signal de régime moteur. Ces 2 fils noirs sont les poles négatifs provenant des relais de démarrage et d'allumage + tableau de bord. Même après correction (fils noirs sur B- de l'alternateur, relié à la masse moteur) cela n'a pas eu d'impact sur le problème.

Autres pistes

  • Diode grillée sur le circuit imprimé ? (cf schéma avec diode surlignée en jaune en pièce jointe)
  • Problème avec le fly ?
L'équipage
28 oct. 2025
28 oct. 2025

Mon schéma initial du circuit était erroné. Voici une version conforme avec en jaune la diode mesurée à 28 mV (au lieu de > 700 pour toutes les autres).
=> Le problème de défaut de charge peut-il provenir de là ?


28 oct. 2025

Sur mon premier bateau j'avais un moteur Volvo TMD30. Une des premières choses que j'ai faites c'est de changer l'alternateur Paris Rhône par un Bosch. Le Paris Rhône me niquait les courroies en un rien de temps, il était mal aligné (faute grave de Volvo Penta).
Sinon je vérifierais l'état du fusible, sur mon bateau j'avais placé un disjoncteur pour la sécurité et la facilité. Il pourrait y avoir des mauvais contacts au niveau de ce fusible.


kinyo:Il y a fusible au niveau des relais qui alimente le tableau de bord. Mais si j'avais un défaut je ne pourrais pas avoir de courant sur le TdB non ?·le 29 oct. 18:35
Super Typhoon:Vous avez du courant mais pas assez, c'est pour cela que ça déconne.Il vous faut vérifier le câblage là où il y a les relais et virer les fusibles pour mettre des disjoncteurs unipolaires. Bien vérifier les cosses des fils dans cette boîte et sur le moteur. C'est là qu'ils s'abîment le plus, à cause de la chaleur.·le 29 oct. 20:36
kinyo:J'avais déjà vérifié et j'ai bien 12,5V en entrée du circuit. Le voltmètre au niveau de la jauge du TdB indique 12V également (normal car il y a 2 ampoules allumées qui consomme chacune ~0,2V). Ou alors c'est peut-être au niveau de la masse qu'il y a un soucis. C'est le câblage que j'ai refait dernièrement en rebranchant 2 fils noirs des relais sur le B- de l'alternateur, lui-même raccordé à la masse moteur.·le 30 oct. 22:39
Super Typhoon:O,2V ce n'est pas une consommation, c'est une chute de tension. Pour le peu d'ampérage que ces ampoules prennent ces chutes de tension sont trop importantes. C'est pcq le câblage n'est plus bon très probablement près du moteur, que ce soit des cosses, des fils verts de gris ou du courant qui ne passe plus que sur quelques brins de cuivre. Je vous conseille de remplacer les vieux fils par du fil étamé, vous allez voir la différence car il ne devient pas vert de gris.Si vous ne trouvez pas de fil étamé de différentes couleurs vous pouvez toujours mettre du tape de couleurs différentes aux extrémités des fils. Je le fais même avec du fil étamé de récupération car il ne s'oxyde pas. C'est très important car en basse tension si vous avez des fils oxydés cela va faire déconner l'électronique et alors vous pensez que le problème vient de l'électronique. ·le 31 oct. 07:18
kinyo:Ok mais ça représente un sacré boulot. Il me faudrait refaire le connecteur 16 broches CPC-1 (rond noir avec bague de sécurité) + le connecteur AMP femelle jusqu'au circuit électronique, ainsi que tous les fils qui vont sur le moteur (capteurs) =(J'avais fait un test de chute de tension avec le fil marron (excitation vers l'alternateur), il faudrait que je fasse de même avec chaque fil pour être sûr de leur état avant de me lancer dans ce chantier titanesque.·le 01 nov. 23:46
Super Typhoon:Vous pouvez toujours changer les fils qui sont mauvais et vous arrêter avant le connecteur ou ponter le connecteur que pour quelques fils. Je vérifierais aussi l'état du connecteur, il y a peut-être de l'eau de mer qui a coulé dessus et donc des mauvais contacts. En général les vieux moteurs c'est à cause de conneries comme ça qu'on a des problèmes.·le 02 nov. 09:36
kinyo:Honnêtement l'ensemble est en assez bon état. Que ce soit les connecteurs du circuit électronique, le faisceau jusqu'à la boite à relais (à l'intérieur tout est nickel), et les capteurs eux-mêmes sont OK (pression d'huile, mano-contact etc...). Bref je ne vois pas (visuellement parlant) de signes d'usure ou de vert de gris (on a tout nettoyé au nettoyant contact ou vinaigre sur les parties non électriques). Le seul truc gênant c'est le connecteur 16 broches à tribord qui n'a plus de bague de sécurité, j'ai mis des serflex pour éviter qu'il ne se débranche de la boite à relais avec les vibrations moteur.J'ai corrigé également une inversion de fil rouge sur les 2 relais (un de 6mm² vers le démarreur vs 1,5 mm²).Ce qui me sidère c'est que j'ai exactement le même symptôme sur les 2 moteurs. Qu'il y ait un mauvais contact hypothétique je veux bien, mais le même soucis me parait peu probable ?·le 02 nov. 13:55
Super Typhoon:Avez-vous vérifier les contacts aux fusibles ? Cela arrive qu'ils soient oxydés et qu'ils ne laissent plus passer assez de courant. C'est pour ça que je vous avais dit de mettre des disjoncteurs unipolaires. Perso c'est la première chose que je fais quand je change de bateau. ·le 02 nov. 17:26
29 oct. 2025

Comme tu ne parle pas de buzzer,sonne t-il ?
Le test alarme fonctionne t-il ?


kinyo:Le buzzer d'alarme sonne quand je mets le contact (bip faible avec tous voyants allumés) mais à un sonore bien inférieur au test d'alarme (qui fonctionne également quand j'appuie sur le bouton, là le bip casse les oreilles ^^). Même symptôme sur les 2 moteurs.·le 29 oct. 18:37
30 oct. 2025

Alors cela ressemble a une circulation du courant des voyants à travers le buzzer.
Deux tests possibles : quand tu appuis sur le bouton test : tu dois avoir 10V aux bornes du buzzer.(tu as peut être 12V (voir 11,3V).
autre test : mesurer la tension aux bornes de la diode Zener. Tu dois avoir 0,7V dans un sens et 3,3V dans l'autre sens.


kinyo:Le buzzer ne devrait pas biper lorsque je mets le contact c'est bien ça ?Quand bien même il y aurait une légère fuite de courant (bouton poussoir "Test alarme" avec oxydation ?), que penses-tu de la piste de la diode IN4007 surlignée en jaune qui n'a pas la bonne valeur sur les 2 circuits ? (28 mV au lieu de > 700mV sur les autres diodes de même type)·le 30 oct. 22:36
AICA:Si le buzzer doit bipper. ·le 31 oct. 10:14
30 oct. 2025

@AICA : je n'exclus pas la piste du buzzer piste mais d'après les valeurs mesurées avec un multimètre sur chaque diode, les 2 diodes d'alarme de T° d'eau et pression d'huile reliées à la borne 6 du buzzer sont OK.
Les 2 diodes de protection (entre les pattes du transistor BC557 et entre les bornes 5 & 6 du buzzer) également. Donc pas de fuite de courant provenant de ce chemin là.

Voir en PJ les valeurs mesurées en mV (position "diode" du multimètre).
La piste tangible que j'explore actuellement c'est celle de la diode encadrée en rouge sur le schéma ci-joint qui n'a pas suffisamment de chute de tension (28mV mesurée sur les 2 circuits babord / tribord).


31 oct. 2025

j'ai essayer de dessiner un schéma avec les tensions et les courants.
En fonctionnement normal avant le démarrage : Ud1+ Uv + Uexcit = UBat tension de batterie Si l'on considère une chute de tension du voyant (Uv) de3 V plus la chute de tension de la diode,ta tension d'excitation est de l'ordre de 9V . Au démarrage ton alternateur s'excite et délivre une tension supérieure à 12,7V et ton voyant s'éteint.
Pour que tout fonctionne comme cela il faut que ta diode zéner ne laisse pas passer le courant.
Toi, tu as 3,5V hors démarrage cela me semble trop peu car tu devrais trouver
Ud2 + Uz + Ub + Ud3 c'est pour cela que je pense que la diode zéner est claquée.
Peux tu mesurer les tensions aux bornes de la diode zéner ?


AICA:ps : la diode zéner est la petite diode bleue notée BZX·le 31 oct. 11:01
kinyo:Malheureusement les 2 circuits ont été démontés et je ne suis pas à proximité du bateau. La seule chose que j'ai fait c'est de tester en mode diode avec un multimètre et pour moi les 2 diodes zener sont OK (cf mesure à 1035 à babord et 1050 à tribord).Pour mesurer la tension il faudrait que je mette le circuit sous charge et j'ai un peu peur de faire une bêtise (court-circuit) avec une alim 12V externe :(·le 01 nov. 23:31
04 nov. 2025

Bon la piste de la diode mesurée à 028 montée sur le circuit n'a rien donné. Elle a été dessoudée et on trouve une valeur à 675 (un peu faible mais correcte).

Du coup il reste :
- Soit la diode Zener (à voir comment je peux la tester sans risquer de court-circuiter le reste)
- Soit un câblage défectueux vers les 2 circuits au niveau du fusible / relais (babord & tribord)


07 déc. 2025

MàJ 07/12/2025

J'ai déconnecté le fil marron (excitation) du connecteur au niveau du circuit électronique babord et ça fonctionne, l'alternateur débite bien 14V \o/

Ce que je ne comprends pas c'est que j'avais bien testé continuité + chute de tension sur ce fil pour détecter une éventuelle corrosion. Le voltage était OK mais peut-être pas l'ampérage (brin de cuivre oxydé ou cassé ?).

Bref, j'ai plus qu'à refaire le câblage au niveau du faisceau relais-circuit ou alternateur-relais car je ne sais pas quelle section est affectée (comme dis par Super Typhoon, il y a une forte probabilité que ça soit sur la section qui passe en diagonale au niveau moteur, avec la chaleur peut-être que la gaine a été abimée).

Merci encore pour tous vos conseils :)


08 déc. 2025

Hum !!
si je te lis bien, ton alternateur à une tension de 14V sans excitation.
Cette tension est prise où ? aux bornes de la batterie ?
Aux bornes de l'alternateur, battrie branchée ?
Aux bornes de l'alternateur batterie débranchée ?
Attention à la rémanence de l'alternateur .


12 déc. 2025

J'ai déconnecté le fil d'excitation marron au niveau du connecteur situé sur le circuit électronique et je l'ai shunté avec un nouveau fil directement sur la borne D+ de l'alternateur (cosse plate femelle) jusqu'à la cosse mâle du circuit (avec une pince croco).

La tension lue de ~14V est celle du tableau de bord (voltmètre) moteur tournant là où avant on avait 12V et les lampes de défaut batterie + pression d'huile (défaut de charge). C'était donc un problème de câblage oxydé / abimé tout simplement.

En revanche, j'aurais besoin d'une référence pour les cosses mâles et femelles du connecteur blanc sur la photo (entouré en rouge).

Pour le connecteur CPC 16 broches (rond noir avec bague de sécurité à visser), c'est du Type III+. Mais sur ce connecteur blanc aucune idée de ce que c'est ?


kinyo:Erratum : lampes de défaut batterie + température d'eau = défaut de charge alternateur·le 15 déc. 22:00
Lady_C:connecteur automobile et assimilé www.google.com[...]/search merci Google Images·le 16 déc. 12:01
16 déc. 2025

tu veux dire que tu as toujours les voyants de défaut ? dans ce cas reprend les mesures aux bornes de la diode zéner maintenant que c'est rebranché.


kinyo:Non il n'y a plus de voyants de défaut (en tout cas sur babord). En fait c'est un problème de faux-contact soit sur le connecteur (cosses oxydées ?) soit au niveau du fil d'excitation.·le 21 déc. 00:54
21 déc. 2025

Je mets les références pour ceux qui chercheraient :

  • Connecteur Volvo DJ3091-3.5-11 / DJ3091-3.5-21 ou TE-Connectivity Mate-N-Lok
  • Cosses males & femelles Mate-N-Lok (20-14 AWG => 0.5-2 mm²)
  • Section de fils du circuit = 1.5 mm²

Connecteur de remplacement (équivalence à l'original) :

Connecteur d'origine Volvo DJ3091-3.5-11/21 (quasi introuvable et très cher)


kinyo:Erratum : les cosses males et femelles Mate-N-Lok du connecteur Volvo sont plutôt du 4mm² (modèle plus gros) mais je n'ai pas trouvé la référence exacte·le 10 jan. 16:36