Compatible moteur Yanmar YSE8 vs Yanmar YSM12

Bonjour, Avec votre expérience pouvez vous me donner quelques renseignements svp pour monter un moteur Yanmar YSE8 en place d'un yanmar YSM12 ? Le moteur est-il compatible ? Cordialement,

L'équipage
29 nov. 2025
30 nov. 2025

Tu peux comparer les dimensions des moteurs en regardant leur doc.

Tu risques de devoir changer l'hélice.


30 nov. 2025

C’est exactement ce que je ne veux pas. Je ne veux pas les changer. Merci pour tout retour.


30 nov. 2025

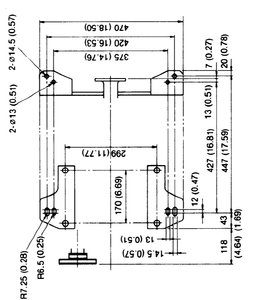
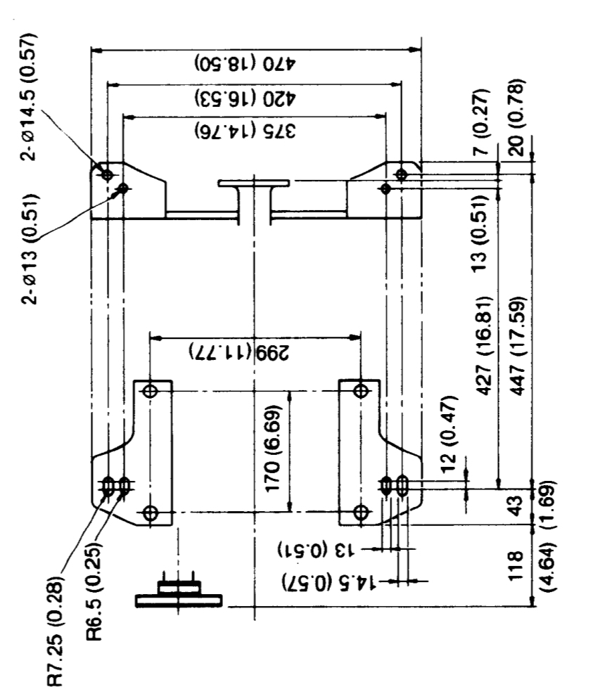
Les dimensions du YSM 12:


JonnyBe:Thx boss·le 30 nov. 11:01
30 nov. 202530 nov. 2025

Bonjour,
la seule chose identique entre ces deux moteurs, c'est la marque.
Sinon, le YSM12 est plus puissant et plus volumineux que le YSE8 ce qui implique déjà des entraxes de supports moteur et des silent-blocs différents.
Bon, ça, c'est pas grave, comme ils sont fixés dans le berceau avec des tirefonds, ça se déplace à la demande.
Pour la hauteur et l'inclinaison, on y arrive aussi même s'il faut fabriquer des entretoises sur mesure.
En revanche, tu pourras peut-être conserver l'arbre porte-hélice qui de mémoire doit être du 22 en bronze sur le YSM12 mais l'hélice devra impérativement être changée et peut-être aussi le tourteau.
Bon courage...
VdB


30 nov. 2025

Merci beaucoup @VdB 🙏


Il y a toujours des ysm12 à vendre sur leboncoin, pour 300 à 1000€ max.
A ta place j'attendrai la bonne occase, et je garderai l'ancien pour pièces.
Pour ma part j'ai un donneur qui a déjà bien donné!


30 nov. 2025

Oui, vous avez bien raison. Je vous remercie pour votre retour !


30 nov. 2025

Je connais les deux, le premier est poubelle , le second est très loin, côté Suisse. Sauf que J’habite dans 85. Merci beaucoup dans tout les cas !


30 nov. 2025

pour le meme prix t'aura un nanni,
base kubota, bien plus récent et dont les pièces se fabriquent encore


30 nov. 2025

Bonjour, oui tu as bien résonne mais est compatible avec mon arbre +l'hélice du Yanmar YS12? Merci pour votre réponse.


30 nov. 2025

Quand tu changes de moteur, on ne le dira jamais assez, c’est tout un ensemble qu’il faut associer.

En l'occurrence, moteur, réducteur et le berceau, tourteau, arbre, presse étoupe et tube d’etambot, chaise d’arbre et sa bague hydrolube et enfin hélice.

Donc il faut faire ou faire faire une étude complète.

La probabilité qu'un nouveau moteur soit compatible avec le reste des éléments de cette chaîne est nulle.


gorlann29:Totalement d' accord avec tes 3 premières phrases... mais pas du tout avec la dernière. J' ai remplacé le Couach RC11 de mon canote par un Ruggérini à refroidissement à air récupéré sur une voiturette, en conservant l' inverseur/ligne d' arbre/hélice d' origine... et çà fonctionne infiniment mieux que TOUS les Brise de Mer qui ont été remotorisés avec des moteurs modernes dont l' hélice tourne "à droite" alors que l' installation d' origine avec la ligne d' arbre décalée sur bâbord est prévue pour un moteur tournant à gauche. La différence: avec une ligne d' arbre tournant à gauche, tu vas où tu veux avec une facilité déconcertante en MA même avec du vent fort latéral, alors qu' avec une rotation à droite, la MA devient impossible même par calme plat.Dès fois, tout changer comme tu le préconises peut s' avérer être une sacré connerie.·le 01 déc. 09:17
30 nov. 2025

Bonjour, Oui, vous avez raison... Malheureusement il faut que je change tout l'ensemble! Cordialement


Dragonera Nord

Phare du monde

  • 4.5 (61)

Dragonera Nord

2022