Installation électrique - Voilier 12m

Bonjour,
Je suis actuellement en cours d'étude pour le recâblage électrique d'un bateau sur la partie servitude 12V et 230V. Je suis électricien dans le bâtiment donc je connais assez bien le domaine sauf pour ce qui est des choix techniques pour la partie 12V.

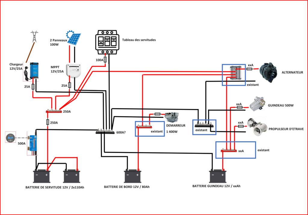
J'ai commencé un synoptique ci-dessous. Pourrais-je avoir votre avis sur celui-ci?
Il me faudra ensuite déterminer les sections de fil.

Merci de votre aide

L'équipage
22 nov. 2025
22 nov. 202522 nov. 2025

Quelques (détails). J'ai un bateau alu donc tout est bipolaire et il y a un maximum de postes sur mon tableau (40). Ceci évite les fuites qui sont la bête noire de électricité bateau même à mon avis pour les coques non métal.
De plus je ne vois pas forcément l'intérêt d'avoir une batterie dédiée au guindeau à par économiser sur le prix du câble.
Autre chose , je ne vois pas de sectionneur sur ton schéma . J'en ai partout , toujours bipolaire, y compris avant et après les panneaux


22 nov. 2025

Hello,
Voici pour t'aider:
- une App de chez Victron play.google.com[...]/search
- un tableau www.orange-marine.com[...]ctrique
- et un autre... www.multicoquespratique.fr[...]ls.html
- et une saine lecture: www.victronenergy.com[...]-EN.pdf
Amicalement.
FX


22 nov. 202522 nov. 2025

Bonjour,
La batterie dédié au guindeau est déjà existante donc je ne souhaite pas modifier cette partie.
Concernant la partie bipolaire, c'est pareil, le câblage du tableau électrique existante est fait en unipolaire.
Pour ce qui est des panneaux, c'est vrai que je n'ai pas mis de sectionneur. Je vais modifier pour la maintenance du mppt.
Je n'ai pas mis les coupes-batteries mais ils existent bien.
Cependant je n'ai pas d'équipement pour mettre en parallèle les batterie et ainsi profiter d'une capacité d'énergie plus importante mais aussi recharger l'ensemble des batteries par le chargeur de quai ou PV. Quel type de produit utiliser ?


Dim31:Sur beaucoup de chargeurs de quai il y a plusieurs sorties. Chaque jeu de batteries est chargé comme il faut en fonction de sa capacité et de son état de charge. C'est mieux que mettre en parallèle ! Et sur l'alternateur on peut mettre un répartiteur de charge, mais il y a aussi la solution ”cyrix” qui est très répandue je crois. ·le 23 nov. 00:47
Tweed:L'intérêt d'une batterie dédiée au guindeau et au propulseur d'étrave est que le démarrage du moteur reste possible sur sa propre batterie ; cela évite l'angoisse liée à une utilisation trop importante du propulseur ou une perte de ce côté...·le 28 nov. 08:36
Peace and Love:Suffit de démarrer le moteur avant de remonter l’ancre et la consommation est de quelques ampères, d’ailleurs j’ai fait le test de remonter l’ancre sur les batteries de service ce qui permet un départ élégant et silencieux sous voile·le 28 nov. 09:32
Dim31:Oui Peace and love. Remonter le mouillage sur une batt seule, sans démarrer, doit pomper typiquement quelques Ah, pas plus. (Le guindeau n'est pas à son couple maxi bien souvent : 500W pendant 3 minutes font moins de 2,5Ah). Perso je n'hésite pas à remonter l'ancre sans démarrer sauf si le vent impose un appui moteur pour garder la chaîne peu tendue. ·le 28 nov. 09:51
Tweed:Les batteries de servitude et la batterie de guindeau/propulseur sont distinctes pour éviter de tout mettre sur une seule batterie. Elles ont des fonctions différentes. Si le bateau de Jerem512 est équipé de trois batteries il n'y a aucun avantage à en supprimer une.·le 28 nov. 10:26
Dim31:@Tweed "il n'y a aucun avantage" ?? on peut trouver des avantages et des inconvénients à chaque solution, j'ai pas inventé l'eau tiède en disant ça . . . par ailleurs, tu indiques qu'il faut "éviter de tout mettre sur une seule batterie", euh, sûrement mais pourquoi ?·le 28 nov. 13:34
Super Typhoon:@ Dim31. Si tu mets tout sur une batterie lorsque tu as une forte demande de courant tu as une chute de tension et il y a risque qu'un appareil électronique n'apprécie pas trop et doive être réinitialisé.·le 28 nov. 15:23
FredericL:Si c'est le cas c'est que l'installation est mal calculée ou mal réalisée.·le 28 nov. 15:48
Dim31:Super typhon, je suis pas convaincu mais merci de ta réponse ! ·le 29 nov. 00:57
Super Typhoon:Cela m'est arrivé avec un echo-sondeur Raytheon des années 80, un appareil à tubes cathodiques qui prenait lui-même assez de courant. Après une forte demande de courant sur le cabestan j'avais dû réinitialiser le sondeur car la tension avait trop fortement chuté. En effet l'installation électrique n'était sans doute pas fiable à 100% mais ce n'est pas une raison pour supprimer une batterie dédiée uniquement à un guindeau et un propulseur d'étrave.·le 29 nov. 07:49
22 nov. 2025

Mets du câblage étamé à la place du vieux câblage. Tu seras tranquille pour le restant de tes jours.


22 nov. 2025

Et pour la section 5 Ampères par mm carré. Tu fais bien de garder une batterie près du guindeau.


22 nov. 2025

Je conseille aussi de ne plus utiliser d'ampoules à filament (feux de nav. et éclairage intérieur) et de les remplacer par des LED. Donc il faudra adapter les disjoncteurs au nouvel ampérage des consommateurs qui sera plus faible.


Jerem512:C'est prévu de mettre de la Led. J'ai prévu d'adapter les fusibles au niveau du tableau ·le 22 nov. 17:26
AICA:Les fusible sont calibrés pour protéger la ligne, pas les appareils.....·le 26 nov. 09:14
22 nov. 202522 nov. 2025

Ce câble ne va pas ! Il met en commun ton circuit démarrage et servitude. En général c'est pas les meme types de batterie (décharge lente chere et décharge rapides pas cheres).

Met un chargeur orion entre les deux pour isoler les circuits si tu veux absolument recharger tes servitudes avec le moteur. C'est pas indispensable.

www.svb-marine.fr[...]-a.html

Beau boulot sinon, c'est propre.


Jerem512:C'est un répartiteur de charge à diode selon le schéma du bateau. Ce n'est suffisant pour isoler les circuits ? ·le 22 nov. 17:25
Moen_sur_leau:Si si tu as raison, le RCE suffit. Tes trois parc de batteries sont bien isolés.·le 24 nov. 22:16
22 nov. 2025

Merci pour tous vos retours. Que pensez vous des ampèrages des busbar ? Notamment celui du "-" en 600A ?


Tramp:Ah j'avais pas compris que c'était un répartiteur de charge !! Ok ça fonctionne alors, no problemo.Les amperage des busbar sont laaaaaaaaaaaargement surdimensionnés, c'est nickel.·le 22 nov. 18:56
Jerem512:Comment dimmensionner le busbar du négatif ? ·le 22 nov. 19:25
Tramp:P=U*I.Ton guindeau tire environ 40A, environ 80 en appel, un petit moteur c'est environ 130A en appel également, le propulseur d'étrave 100A en courant d'appel.Tout le reste est négligeable.Bref même si tu démarre tout en même temps (ça n'arrivera pas) tu sera encore en dessous des 600A.·le 22 nov. 19:44
Jerem512:Ah oui en effet. C'est surdimmensionner. C'est ces notions d'ampérage que je n'avais pas pour le propulseur ou le moteur.·le 22 nov. 22:02
Super Typhoon:Ce n'est pas un problème que ce soit surdimensionné, c'est même mieux.·le 22 nov. 23:02
22 nov. 2025

perso pas de batteries en // une batterie pour chaque usage et entre elles des coupleurs


Jerem512:Il n'y a pas de batterie en parallèle sauf pour la servitude.Il y a un répartiteur de charge à diode. ·le 22 nov. 19:24
Calypso2:donc il y a bien deux batteries en // ·le 22 nov. 19:32
Jerem512:Je suis d'accord mais c'est le même usage (les servitudes)?·le 22 nov. 22:01
Dim31:José veut dire 1 batt pour frigo+eclairage+vhf et 1 batt pour pilote+sondeur+ais par exemple. Batteries en // egale risque de mort prématurée de batterie (mais 98% des croiseurs le font quand même, encore un débat sans fin)·le 23 nov. 00:41
Calypso2:Ce qui évite de se retrouver un jour sans batterie lorsqu'une se décharge dans l'autre.et ce qui évite également de remplacer les deux batteries lorsqu'une est morte ·le 23 nov. 06:56
Super Typhoon:On peut très bien mettre des batteries en // . Cela peut même être des batteries de capacités différentes, il n'y a aucune raison pourquoi le régulateur en chargerait une et pas l'autre. Par contre en branchement en série il faut absolument des batteries du même âge et de même capacité car s'il y en a une qui est plus faible que l'autre le régulateur qui donne 28 Volt va donner par exemple 15 volt à la meilleure batterie et 13 Volt à la plus faible. Puis ce sera 16 Volt et 12 volt puis 17 et 11 et ainsi de suite. On nique alors les deux batteries car l'une aura les plaques positives déteriorées et l'autre les plaques négatives. En fait le régulateur considère les deux batteries en série comme une batterie.En // on peut très bien mettre des batteries différentes et d'âges différents, du moment qu'il n'y en a pas une avec un élément de foutu.·le 23 nov. 09:16
Jerem512:J'ai cru comprendre qu'il y'avait deux avis sur mettre // ou non.Chez victron, ils font un combinateur de batterie, qu'en pensez vous ? Y'a t il d'autres marque qui propose ce type de produit pour protéger la décharge de deux batterie en //? ·le 23 nov. 09:37
sterwen:Regarder les schémas Victron, les servitudes sont toujours en parallèle. Même hors domaine maritime on met des batteries en parallèle. Il faut que les batteries soient du même modèle et même capacité. La grande majorité des bateaux avec un capacité significative sur les services ont leurs batteries en parallèle.·le 23 nov. 09:42
Dim31:@super typhon tu as partiellement raison. Pour la charge pas de problème même si ce n'est pas optimal car le chargeur va mesurer le courant pour savoir quand stopper le charge (oui je simplifie)... Et là le chargeur il va pas savoir que le courant qu'il mesure ne correspond pas au courant qui rentre dans une batterie... Bref un chargeur high tech pour au final un processus de charge merdique du point de vue de chaque batterie. . . . Mais José parle plutôt de la décharge. si une batterie est nase elle va accélérer la mort des autres... Après, je sais pas si c'est très fréquent. ·le 23 nov. 09:58
Dim31:@sterwen oui quand c'est neuf ça marche bien... Et quand ça part en cacahuète victron te vendra un lot de batteries neuves, cette solution leur convient parfaitement ! Mais je comprends qu'on ne veuille pas se faire chier, si une est morte on change tout de toute façon alors que les autres aient été massacrées au passage ça ne change rien... Perso je suis prêt à me faire chier pour éviter ça, alors je garde 2 batt de 200Ah en fonctionnement chacune son tour ! Si plusieurs jours de temps gris avec pilote auto et frigo je dois surveiller et switcher. ·le 23 nov. 10:09
Jerem512:En gros pour mettre en //, vous conseillez pour la charge regulateur de charge type argofet, et pour la décharge combinateur ?Est ce possible de mettre plusieurs appareil à l'entrée d'un régulateur de charge ou il en faut un par chargeur ? ·le 23 nov. 10:33
Tramp:Non Dim31 est très flippé mais tout le monde, partout, met ses batteries en parallele. La recommendation c'est en mettre plusieurs de même capacité, même marque modele et même age ensemble. La question interessante pour les servitudes c'est : qu'est ce que tu veux mettre comme type de batterie? Les LiFePO4 sont très interessantes par leur grandes capacités et leur régulateur intégré. Mais cheres.·le 23 nov. 10:55
Jerem512:Les batteries sont existantes. Elles ont été installé en même temps. Je ne suis pas fan des LiFePO4 au vue de leur risque d'incendie.Voici le lien : magasin.scar.fr[...]d-69325 ·le 23 nov. 11:21
Super Typhoon:@ Tramp, en // le régulateur donnera 14 Volt aux bornes des batteries, peu importe leurs capacités, modèles et âges. Si tu as une batterie de 100 Ah et une de 70 Ah en // et bien tu auras une capacité de 170 Ah. Ce n'est pas parce qu'une batterie a une capacité moindre qu'elle aura une tension moindre à ses bornes et qu'elle va vider l'autre batterie. J'ai étudié l'électro-technique dans une école de navigation ; c'est pour le montage en série qu'il faut des batteries de mêmes marques, capacités et âges. Sûr à 100 %.·le 23 nov. 12:44
Peace and Love:pour le prix les lifepo04 sont plutôt moins chère sauf winstonque les PB et novent de capacite supplementaire a prix egal, se rechargent plus vite n'ont pas d’auto décharge, plus légère, duree de vie du double etc·le 24 nov. 12:07
Calypso2:J'ai deux batteries de servitude chacune sur un circuit différent.l'une est de 2022 et l'autre de 2024 et avant de changer la dernière elles étaient de technologie différentes ·le 26 nov. 08:26
Dim31:@tramp, flippé je te laisse juge pour ta propre opinion, c'est vrai que depuis qu'un voisin de ponton a flingué ses 4 batteries en // qui avaient pas deux ans, je me dis que c'est pas un gros effort dans mon cas d'éviter ce risque. Mais si je devais prêter mon bateau ou même laisser ma moitié naviguer sans moi pendant une semaine, je n’hésiterais pas à faire du parallèle pur et dur et puis tant pis pour le risque qui me gêne. Pour info je fais différemment de José : une seul circuit servitudes ; mais un contacteur par batterie et j'alterne une batterie ou l'autre en fonction. Montage hyper simple.·le 26 nov. 10:34
23 nov. 2025

Salut,

A Jerem512,
Par rapport a ton dessin originel:
"...Pourrais-je avoir votre avis sur celui-ci?...".
Alors:
"exit" les fusibles puissance sur l'arrivée démarreur et sur l'arrivée alternateur.
"Exit" le répartiteur de charge à diodes après l'alternateur : obsolète, perte tension de 0,7v!
A remplacer par un Argofet (1E/3S) OU par 2 cyrix-ct120A. (a titre perso, les cyrix étant un système automatique et réversible en bi-fonctionce , je préfère dessin ci dessous)
Mise en place des 3 parcs de batteries distinctes: des coupes batteries sur chaque batterie.

Parc servitudes: 2 batteries totalement identiques en //, avec branchement croisé (ce qui n'était pas le cas sur le dessin !). Charge par le le solaire et chargeur de quai à 1 seule sortie.
Branchements des mesures de tension (B1 et B2) du BMV .
Parc moteur prioritaire: 1 seule batterie dédiée; charge par l'alternateur moteur tournant et par le cyrix fermé (à 13v) du parc servitudes.
Parc guindeau (et parc propulseur !): 1 seule batterie 12v , mais avec un CCA de 800A minimum...Ne devrait fonctionner qu'avec moteur tournant. Charge par le cyrix fermé à 13v sur le parc moteur.

Sur un autre dessin , il est représenté un simple convertisseur 12//230v: il est préférable de mettre un convertisseur-chargeur qui détectera la tension réseau du ponton: pas besoin de commutateur manuel.
Dans tous les cas le chargeur-convertisseur devra être au plus prés du parc services; certains sont équipes de commande à distance , donc peuvent être installes sur un tableau de commande.
Il manque un isolateur galvanique sur le terre du réseau ponton qui entre dans la bateau par une rallonge.
Mamita


Super Typhoon:Il existe des répartiteurs de charge avec chute de tension négligeable. Sur mon bateau cela fait au moins 20 ans que je l'ai changé. L'ancien effectivement entraînait une chute de tension désagréable. Donc p-ê que Jerem512 a un répartiteur avec chute de tension ridicule et qu'il ne doit pas le changer.·le 23 nov. 13:35
Mamita:Re, " ...Jerem512:C'est un répartiteur de charge à diode selon le schéma du bateau. ·le 22 nov. 17:25....".·le 23 nov. 13:47
James :On oublie ces antiquités à diodes...Sinon c'est pas mal de pouvoir remonter le mouillage au guindeau sans obligation de démarrer le moteur principal,en cas de soucis c'est mieux.·le 28 nov. 10:00
Jerem512:Bonjour mamita, je suis parti sur ton systeme de câblage avec les cyrix. Maintenant j'ai une question. L'objectif étant que les batteries (servitude, moteur et guindeau/propulseur) restent en permanence dur le bateau. Sauf que potentiellement, le bateau peut être inutilisé pendant plusieurs mois (6mois) sans branchement au quai. Étant donné sue c'est des batteries au plomb, vont elle se décharger et avec un risque de décharge profondes? Je me dit que les panneaux solaire pourrait recharger l'ensemble mais comment faire ? Les coupleur cyrix peuvent il faire passer le courant dans les deux sens ?Merci pour l'accompagnement et belle année à tous·le 03 jan. 08:24
24 nov. 2025

Quelle section de câble pour servitude vers busbar?


Tramp:Ca dépends de la distance. Pour la servitude sur un bateau de 12m on consommera rarement plus de 30A.mon-fourgon-amenage.fr[...]ite.jpg ·le 24 nov. 22:00
Alcove:Justement je pose la question pas innocemment : je débite 180A sur les batteries et mon 50mm2 chauffe sec !La partie + batterie jusqu’au porte fusible.Étonnamment après ça va.Je pense que mon fusible et porte fusible ne va pas.·le 25 nov. 19:59
Alcove:Cette partie mesure 20 cm·le 25 nov. 20:00
Super Typhoon:180 A, c'est quoi comme consommateur ?·le 25 nov. 20:54
Alcove:Plaque induction ·le 25 nov. 21:20
Super Typhoon:Une plaque à induction sur du 12 Volt ?·le 25 nov. 21:24
Alcove:Oui. Convertisseur 3000w et 630Ah en lifepo4. Y a un truc choquant la ?·le 25 nov. 21:31
Super Typhoon:Tu as intérêt à avoir de sacrées batteries et faire tourner le moteur quand tu cuisines. Si la tension aux bornes des batteries chute tu as risque d'incendie car le courant augmente alors et donc ça chauffe.·le 25 nov. 21:42
FredericL:@Alcove, ton câble de 20 cm a un problème, probablement un mauvais contact au niveau d'une des cosses. A ce niveau de puissance, ce serait judicieux de passer en 24 V. ·le 25 nov. 22:03
Alcove:Possible le mauvais contact, j’ai 2 cosses l’une sur l’autre et le capteur tension du BMS.Je vais déplacer le capteur de l’autre côté de la barrette déjà . Changer aussi le porte fusible d’origine qui ne m’inspire pas, et je vous tiens au courant.Pour info je ne tire 180A que quelques minutes, ensuite je réduis à 90A intensité à laquelle je n’ai pas de soucis.·le 26 nov. 06:38
FredericL:Quelques minutes ça fait beaucoup d'énergie, et ça suffit pour mettre le feu. Jamais de cosses superposées, surtout avec ces intensités. Des barrettes de connexion adaptées, du câble étamé et des cosses serties. ·le 26 nov. 10:44
25 nov. 2025

J'ai ce tableau qui peut aider, la puissance que tu peu tenir en fonction de la section et de la longueur du cable :


28 nov. 2025

Ou tout simplement la formule commentcalculer.fr[...]-cable/
Il y a une autre formule qui traîne sur H et O avec calcul de l'échauffement du câble, les résultats sont corrects mais farfelus. Je l'ai testée avec un câble démarreur que je savais être du 35 carré. Résultat donné: section 7mm2, échauffement 700°C !!!
Il y a aussi la D245 à respecter.(sections, principes constructifs...)
La principale difficulté est d'estimer sa consommation (intensité et durée). Si tu es électricien tu dois pouvoir jouer avec les coefficients de simultanéité, mais il vaut mieux avoir un peu de "rab".
Les collecteurs de prise de terre/230V font d'excellents busbars, section à vérifier quand même.
Et enfermer tout ça dans une armoire électrique munie de presses étoupe et pas en plein air à 10cm du point-bas du bateau!!


Polmar:En plus de la 245 il y a la NF EN ISO 13297 qui rentre bien dans les détails.·le 03 jan. 13:13