Météo transat sur poste BLU SANGEAN 505

bonjour,

je me suis acheté ce poste pour écouter les prévisions MTO pendant ma transat E>O.
Pouvez-vous svp me donner qqs conseils : fréquences, réglages...
J'espère qu'il est bien complémentaire de mon auto-radio déjà installé.

L'équipage
01 nov. 2011
02 nov. 201116 juin 2020

RFI

11 heures 33 UTC. (12h 33 en France heure d'hiver, 14h33 en France heure d'été)
en ondes courtes sur 6 175, 15 300, 15 515, 11 670, 17 610 ou 21 645 kHz ;

Exemples ici
www.podcasters.fr[...]59.html

Plus général, le guide météo France à lire
marine.meteofrance.com[...]atique/

02 nov. 2011

C'est un bon récepteur avec un pas de réglage fin de 40 hertz. Pour recevoir des cartes fax météo il faut soigner le montage de l'antenne (nombreuses interventions à ce sujet sur HEO) et avoir les fréquences qui se trouvent à cette adresse :

www.nws.noaa.gov[...]fax.pdf

Il faut aussi un logiciel de décodage sur ordinateur. Le plus connu est JVComm32 mais pour ma part je préfère SeaTTY.

02 nov. 2011

merci
il y a donc une sortie sur ce poste ? pour le connecter à un PC ?

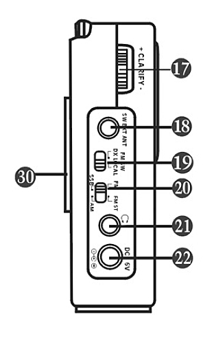
02 nov. 201116 juin 2020

Tous les postes de radio ont une sortie audio, pour brancher des écouteurs. (le 21 sur l'image tirée du manuel...)
A l'aide d'un câble adéquat, on peut la connecter à une entrée micro ou ligne de l'ordinateur. Avec un programme comme SeaTTY ou JVComm32 et une antenne, on peut recevoir les fax météo. Il y a des dizaines de fils là dessus sur HetO....

02 nov. 2011

Malheureusement ce n'est pas le bon poste c'est le 909 et pas le 505 pour la météo en BLU

02 nov. 201116 juin 2020

Ce n'est pas ce que dit le manuel (et la photo de couverture)SSB = BLU

02 nov. 2011

Le 909 a un pas de 40 hz, pas le 505 (100Hz de mémoire).

02 nov. 201102 nov. 2011

Il a le réglage fin 40Hz;sinon difficile à utiliser avec seatty

03 nov. 2011

C'est ce que je pensais aussi, mais il semble que le 505 ai été amélioré. Cette caractéristique des plus importantes est paradoxalement difficile à connaître sur les sites marchands. J'ai trouvé celui-là :

www.bueni.fr[...]4097888

Phare de Pulau Langkuas, Au nord ouest de l'île de Belitung en Indonésie

Phare du monde

  • 4.5 (101)

Phare de Pulau Langkuas, Au nord ouest de l'île de Belitung en Indonésie

2022