mon démarreur reste parfois engagé après démarrage !

bonjour à tous avec une attention particulière aux électriciens autos ou assimilés.

mon démarreur reste quelques fois engagé sur la couronne après démarrage, après vérification à l'aide d'une lampe témoin
entre le + solénoide et la masse il est clair que le solénoide reste quelques fois alimenté après démarrage et que c'est
un problème électrique venant soit du Neiman soit d'un des autres fils connectés au + du solenoide (3 fils)

là je coupe immédiatement le moteur avant de foutre le feu !!!
je n'ai pas pour le moment la possibilité de changer le Neiman ou les capacités de refaire tout le circuit électrique
j'envisage une solution de dépannage ou éventuellement de long terme :

solution 1 : je déconnecte le faisceau (3 fils) arrivant au + du solenoide et je tire 2 fils, l'un sur le + solenoide
et l'autre sur le faisceau déconnecté du + solenoide, je relis les 2 fils à un bouton poussoir et je démarre en
tournant la clé tout en appuyant sur le bouton poussoir

solution 2 : je deconnecte le faisceau (3fils) arrivant au + du solenoide, je tire 2 fils, l'un sur le + solenoide
et l'autre sur le + du démarreur, je relis les 2 fils à un bouton poussoir et je démarre en appuyant sur le bouton poussoir
(comme un démarrage avec un tournevis en fait) et je met aussi le contact au tableau

voili voila qu'en pensez-vous, solution 1 ou 2 ... ou 0 ?
et si solution 1 ou 2 quelle section de fil au bouton poussoir pour alimenter le solenoide d'un démarreur DENSO 2,5Kw 12v ?

merci merci

PS/ je repars une semaine en mer avec la certitude de lire vos avis éclairés au prochain port avec wifi, merci d'avance

L'équipage
12 avr. 2019
12 avr. 2019

Salut Qunzas,
Rien à voir avec ton problème (quoi que...) mais j'ai eu aussi le démarreur bloqué, limite à foutre le feu !!!
et la cause est toute simple : la clé est restée coincée suite aux embruns d'une grande navigation et aussi à l'excitation de la découverte d'une terre inconnue (ou presque !)
un simple jet de WD40 dans le neiman aurait suffit à sauver mon démarreur ...
Erreur de jeunesse on va dire !
Florent

Je pense que ce que tu appelles le "+ solénoïde" est son excitation.

Si c'est bien le cas : 3 fils, c'est deux de trop.

A mon avis :
- tu débranches et isole les trois fils,

  • tu intercales un poussoir (supportant un courant important de l'ordre d'une 5 aine d'A) entre l'arrivée du coupe batterie et l'excitation pour actionner le démarreur,

  • tu tentes de savoir à quoi correspondent les trois fils pour déterminer ce qu'ils viennent foutre là (celui provenant de la clef de contact pourra être viré définitivement lorsque tu remplaceras ton contacteur tournant par un poussoir et les deux autres pourront être raccordés là où il faut mais pas sur l'excitation du solénoïde).

Attention : dans certains cas si un de ces trois fils se retrouve avec une polarité analogue à la masse (une masse prise au travers d'une résistance faible), il peut maintenir le relai de solénoïde en position grâce au retour de l’alimentation du moteur de démarreur (il se transforme en relai auto-stable.

Bonne nav.

12 avr. 2019

Quand j'ai eu ça j'ai dû changer le neiman, depuis ça marche sans problème. Faut faire gaffe au nombre de fils, il faut en acheter un autre avec le même nombre de fils ou bien se faire coatcher par un expert!

Les causes à l'origine d'un maintien en action d'un solénoïde sont relativement limitées en nombre :
1°) maintien de l'alimentation de l'excitation
a) contacteur rotatif défaillant
b) alimentation intempestive du conducteur du fil d'excitation (CC avec un +)

2°) mise à la masse de la ligne d'excitation

Une simple mesure sur l'excitation du solénoïde n'apprendra rien puisque, dans les deux cas, il apparaitra systématiquement une polarité positive (dégradée dans la famille N°2).

En revanche, il suffit de débrancher puis rebrancher le fil d'excitation sur le solénoïde pour effectuer un diag :
- Si après re-branchement le solénoïde est réactivé, c'est qu'il s'agit d'une alimentation anormale décrite dans la famille N°1.

  • Si après re-branchement le solénoïde reste inerte, c'est qu'il s'agit d'une alimentation anormale décrite dans la famille N°2.

Dans le cas d'un défaut du contacteur rotatif, le plus simple, sûr, efficace et économique consiste à substituer un bouton poussoir (alimenté en APC pour conserver le verrouillage de la fonction lorsque la clef n'est plus en place).

12 avr. 2019

il est facile de vérifier si le neiman est en cause, en connectant une lampe sur le fil d'excitation du solénoïde, si elle reste allumée, c'est qu'il y a un défaut du neiman ou un court circuit établi au niveau du démarreur, car la cause peut être aussi au niveau du démarreur, qui serait aussi à vérifier sachant que celui ci est équipé d'un solénoÏde de désengagement du pignon d'entraînement, et le contact du solénoïde peut être aussi en cause
quelquefois un bon nettoyage est suffisant
maintenant le neiman est peut être aussi hs
JL.C

12 avr. 2019

j'ai déjà écarté la défaillance du Neiman
il reste ce problème d'alimentation intempestive du solenoide par son faisceau de 3 fils, ces 3 fils font partie du faisceau electrique d'origine, pas d'un post bidouillage, 1 va à l'alternateur et 2 vont vers le tableau. d'après l'analyse de Nemo il resterait 2 possibilités d'alimentation intempestive :
- alimentation intempestive du conducteur du fil d'excitation (CC avec un +)
- mise à la masse de la ligne d'excitation

je vais donc vérifier ces 2 possibilités et si je ne trouve pas de défaut de cablage je vais supposer que ce branchement de 3 fils à la borne excitation du solenoide a une raison d'être et je vais adopter la solution la plus logique préservant la fonction de ces 3 fils :

je déconnecte le faisceau (3 fils) arrivant à la borne du solenoide et je tire 2 fils, l'un sur la borne du solenoide
et l'autre sur le faisceau déconnecté du solenoide, je relis les 2 fils à un bouton poussoir et je démarre en tournant la clé tout en appuyant sur le bouton poussoir, ainsi je suis sur que lorsque je démarre la config d'origine est respectée et lorsque je relâche le bouton poussoir il ne peut plus y avoir d'alimentation intempestive du solenoide.
quand pensez-vous ????

12 avr. 201916 juin 2020

Salut Quizas,
J'ai vu sur ton profil que tu as un Perkins Prima 50 sur ton joli bateau...
Sauf erreur, apparemment , ce serait le schéma électrique ci dessous de ton moteur ("pompé" sur Plaisance Pratique): un vrai bordel , surtout en bi-polaire !
Il y a bien 3 plots sur ton solénoïde (+B, -B, fil 50) et comme tu as une version bi-polaire, il y a 3 relais, dont 1 relai de démarrage.
Je pense que c'est ce relai de démarrage qui doit rester collé par moment et qui maintient la polarité sur le fil 50...Comme le relai de préchauffage est identique , pour essai de vérification, tu pourrais essayer de monter le relai de préchauffage à la place du relai de démarrage.
Mamita

12 avr. 2019

salut Mamita
je suis désolé de t'avoir fait chercher pour rien, je n'ai plus le Perkins, c'est un Yamaha ME200TM 67cv, je vais corriger mon profil.
il y avait bien ce problème de foutus relais sur le Perkins, tes infos vont servir à d'autres, merci

12 avr. 2019

Re,
Ca ce n'est pas grave ! Par contre, je n'arrive pas a trouver le schéma électrique du Yamaha ME200TM . Or, sans schéma, c'est difficile à analyser...
Mamita

12 avr. 2019

Peut etre verifier aussi si le ressort a l'interieur du bendix n'est pas defectueux, et bien graisser, c'est lui qui rappel de pignon engager sur la couronne...??
De fois que...??
Kenavo

12 avr. 2019

@Salted
j'ai démonté le bendix, bobine bon état, ressort de retour OK, bien graissé, pas de collage de ce coté là, mon problème vient bien d'une alimentation intempestive du bendix, j'ai testé avec une lampe témoin sur circuit alim du bendix et elle reste allumée de temps en temps après démarrage donc le démarreur reste engagé.
merci pour ta contribution

12 avr. 2019

moi c'est pareil, la clé ne revient pas comme il devrait, donc je la remet en position apres qavoir démaré sinon oui le démareur reste enclanché, j'ai failli bien foutre le feu il était bouillant.

12 avr. 201916 juin 2020

@Mamita
merci de passer du temps sur mon problème
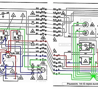
en doc attaché le schema de cablage du manuel
suis une quiche en electricité je n'y comprend rien à part que du solenoide part un fil à l'alternateur et 3 fils au tableau, enfin je crois ...
le demarreur DENSO a 3 bornes : 2 grosses bornes sur la partie bobinage démarreur, une + et une -, ces 2 bornes sont sous tension permanente quand le robinet batterie est ouvert, et une petite borne sur la partie bobinage solenoide, à cette petite borne arrive le faisceau de 3 ou 4 fils de petite section ... mise sous tension du faisceau lorsqu'on toune la clé "start" et hors tension lorsqu'on relache la clé (sauf que quelques fois la tension demeure au relachage de la clé et le démarreur reste engagé, d'ou mon problème !
que penses-tu de mon bidouillage de cabler un bouton poussoir entre la borne du solenoide et l'arrivée du faisceau 4 fils et de demarrer en tournant la clé tout en appuyant sur le bouton poussoir, cela devrait garantir tout retour intempestif d'alimentation sur la borne du solenoide, non ?

13 avr. 2019

Je n'ai plus de clé de contact, un simple poussoir, sur mon penta 2001 de 84 . Un double coupe batterie, depuis 15 ans aucun pbm. Je ne me suis jamais fait voler le bateau !

13 avr. 201916 juin 2020

Re salut Quizas,
Pas très lisible le schéma, mais bon !
Il s'agit d'un montage classique unipolaire (tout est mis à la masse à l'inverse du Perkins 50). Le démarreur est alimenté en direct par la clé de contact sans relai (en vert sur le schéma). Electriquement parlant, il ne peut y avoir que 2 sources d'ennuis possibles:
1) par la clé de contact
2) par le connecteur (1-2)

Ce que je te propose "uniquement pour essai" , c'est d'enlever le fil ( sans le couper) qui arrive sur la borne de démarrage du solénoïde, et de faire un pont avec un bouton poussoir entre les fils +B et la cosse du démarreur solénoïde dont tu viens d'enlever le fil: je te montre celà sur le second schéma.
Tu mets la clé de contact en service, et tu appuies sur le BP ; le démarreur devrait tourner normalement et... j’espère sans rester bloqué !

Tiens nous au jus pour savoir si celà marche a chaque fois, ou si parfois encore le démarreur reste bloqué.
Mamita

13 avr. 201913 avr. 2019

"[i]1) par la clé de contact
2) par le connecteur (1-2)[/i]"

et

3) par le faisceau électrique.

13 avr. 2019

@Nemo : oui par le faisceau aussi, je revérifierai les 3 points dès que possible.

@Mamita : je vais installer le pont et vérifier mais en principe c'est OK car j'avais déposé le démarreur et fais le même test avec un tournevis sans que ça reste collé.
quand tu dis "uniquement pour essais" cela veut dire que si j'utilise ce système de pont pour mes prochaines navigations en attendant de résoudre le problème électrique, je risque de détériorer le démarreur ou le circuit ?

13 avr. 2019

Re,
Avec le BP, le démarreur et/ou le circuit ne risquent rien; l'ennui c'est la possibilité de démarrer sans passer par la cle de contact; or celle-ci gère les alarmes (charge batterie, huile, eau, buzzer).
Ce ne peut être qu'une solution provisoire ...
Nota: les essais avec le démarreur "déposè" (au tournevis ou autres !) c'est bien, mais les essais "in situ" en situation réelle, c'est mieux !
Mamita

13 avr. 2019

OK, merci merci, je ferai un retour

Phare du monde

  • 4.5 (126)

2022