Help branchement guindeau électrique Lofrans caïman

Bonjour est-ce que quelqu'un pourrait m'aider pour le branchement électrique dun guideau j'ai trois fils un bleu un marron un noir j'ai acheté un relais avec télécommande seulement je ne sais pas comment brancher ce Guindeau quand je le test il marche dans un sens ou dans l'autre mais j'ai l'impression qu'il me faut deux relais pour le faire marcher si quelqu'un peut m'aider merci

L'équipage
26 sept. 2025
26 sept. 2025

Télécharger le manuel sur internet

26 sept. 2025

Merci

26 sept. 2025

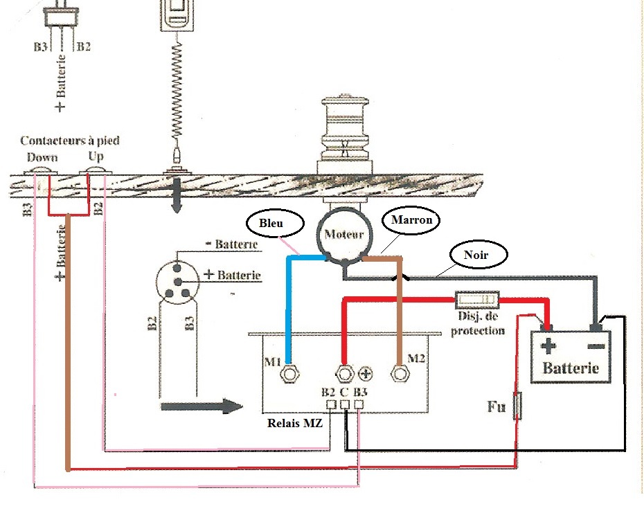
Le noir c'est le négatif.
Le bleu c'est le positif pour la remontée et le marron le positif pour la descente ou l'inverse.

Il faut un relais pour guindeau 3 fils.

26 sept. 2025

Salut,
A Matea13,
Pour le Caïman de chez Lofran's, il te faut un relais MZ (3 grosses bornes + 3 pour la Tc).
Le gros fil noir du moteur va au négatif (-) de la batterie.
Le gros fil marron du moteur ** va sur la borne M2 du relais MZ
Le gros fil **bleu du moteur
va sur la borne M1 du relais MZ

Le gros fil rouge du relais va sur la borne positive (+) de la batterie

Nota: on peut inverser les gros fils (marron et/ou bleu) suivant le sens montee/descente.
Mamita

26 sept. 2025

he oui il faut deux relais ou un relais combinant les deux ( shema precedent)

26 sept. 2025

J'ai le Cayman. Dans mon souvenir, il est vendu avec son relais et le schéma, assez simple, était fourni. Ce n'est plus le cas ?

Vu la photo c'est du matériel d'occasion sans doute fourni sans la notice.

Butt of Lewis, Hebrides Extérieures .

Phare du monde

  • 4.5 (189)

Butt of Lewis, Hebrides Extérieures .

2022